Cảm biến vùng Autonics BW20-48
| 1 Cái | 29.954.000 ₫/ Cái | |
| 2-4 Cái | -32% | 20.456.300 ₫/ Cái |
| 4+ Cái | -36% | 19.280.600 ₫/ Cái |
Shipping information
Products information
- Dễ dàng phát hiện phía bên cạnh, phía trước
- Đèn LED của bộ thu/bộ phát có cường độ sáng cao.
- Ngăn ngừa giao thoa
- Tự chuẩn đoán bên ngoài.
- Cấu trúc bảo vệ IP65 (Tiêu chuẩn IEC).
Cảm biến vùng Autonics BW20-48 đến từ thương hiệu Autonics nổi tiếng lâu đời tại Hàn Quốc chuyên cung cấp các giải pháp tự động hóa công nghiệp, sản xuất các dòng sản phẩm trong ngành sản xuất, kỹ thuật ứng dụng, điện – điện tử như cảm biến, bộ điều khiển, đo nhiệt độ, thiết bị đo lường…..đa dạng về mẫu mã, phong phú về chủng loại đáp ứng mọi nhu cầu sử dụng.
1. Đặc điểm Cảm biến vùng Autonics BW20-48?
Cảm biến vùng Autonics BW20-48 có đặc điểm chung khá là mỏng, kích thước nhỏ và được thiết kế thanh nhã dễ dàng lắp đặt.
Cảm biến vùng được trang bị với khoảng cách phát hiện dài giúp mang lại giải pháp cảm biến đáng tin cậy nhất, rất thuận tiện và nhiều chức năng sử dụng.
Cảm biến vùng Autonics sử dụng dễ dàng như tấm chắn, giúp bảo vệ đa năng, sử dụng nhiều tia sáng để giúp phát hiện đối tượng đang di chuyển ở trong những vùng đặc biệt.
Cảm biến vùng Autonics BW20-48 có khoảng cách phát hiện khá là dài lên tới 7m. Ngoài ra cảm biến này còn có khả năng:
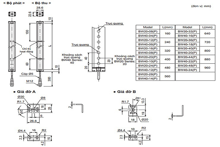
- Chính xác có tới 22 sản phẩm trong dãy BW (Trục quang học 20/40mm, độ rộng 120 đến 940mm).
- Tối thiểu hóa vùng không phát hiện được với trục quang học 20mm hoặc 40mm.
- Dễ dàng nhận dạng mọi phía cạnh, phía trước và khoảng cách dài nhờ led có độ sáng cao ở bộ phát và bộ thu.
- Cấp bảo vệ IP65 áp dụng tiêu chuẩn IEC.
- Cảm biến vùng Autonics BW có chức năng tự chuẩn đoán lỗi, chuẩn đoán lỗi bên ngoài , ngăn chặn ảnh hưởng lẫn nhau.

Thông số kỹ thuật:
- Loại phát hiện: Loại thu phát(trực tiếp)
- Khoảng cách phát hiện: 0.1 đến 7m
- Nguồn sáng: LED hồng ngoại (850nm điều biến)
- Khoảng cách giữa các trục quang: 20mm
- Số trục quang: 48
- Chiều cao phát hiện/Tổng chiều dài: 940/980mm
- Nguồn cấp: 12-24VDC ±10%(sóng P-P: max. 10%)
- Ngõ ra điều khiển: NPN mạch thu hở
- Chế độ hoạt động: Light ON
- Ánh sáng môi trường: Max. 10,000lx(Ánh sáng bộ thu)
- Nhiệt độ xung quanh: -10 đến 55℃, bảo quản: -20 đến 60℃
- Loại kết nối: Loại giắc cắm cáp(Ø5, 300mm, M12)
- Cấu trúc bảo vệ: IP65
- Độ ẩm xung quanh: 35 đến 85%RH, bảo quản : 35 đến 85%RH
- Khoảng cách phát hiện tối thiểu: Vật liệu đục min. Ø30mm
- Thời gian đáp ứng: Max. 10ms
- Trọng lượng: Xấp xỉ 2.1kg
2. Chức năng cẩm biến vùng BW
Cảm biến vùng Autonics BW20-48 dùng như một tấm chắn bảo vệ đa năng. Nó sử dụng nhiều tia sáng để giúp phát hiện đối tượng đang di chuyển ở trong những vùng đặc biệt.
Cảm biến vùng BW Series Autonics có đặc điểm mỏng, kích thước nhỏ gọn, thiết kế thanh nhã, với khoảng cách phát hiện dài. Chính vì lý do này mà nó mang lại giải pháp cảm biến đáng tin cậy với 3 chức năng chính:
Chức năng dừng truyền ánh sáng :
Khi ngõ vào TEST (Đen) của bộ phát là 0V, việc phát đi bị dừng lại và LED vàng của bộ phát sẽ nhấp nháy. Chúng ta có thể kiểm tra cảm biến có hoạt động đúng không với việc như dừng truyền tín hiệu khi ngõ vào TEST Đen của bộ phát là 0V.
Chức năng tự chuẩn đoán
Ngõ ra điều khiển sẽ OFF và chỉ thị hoạt động sẽ ON. Khi phát hiện sự cố bằng chức năng tự chuẩn đoán một cách thường xuyên trong các hoạt động thông thường.

Các mục cần chuẩn đoán
- Bộ phát: Gián đoạn phần tử phát ánh sáng, gián đoạn mạch phát ánh sáng, sự cố đường dây MASTER/ SLAVE.
- Bộ thu: Gián đoạn mạch nhận ánh sáng, gián đoạn mạch ngõ ra, quá dòng tại bộ phận ngõ ra, sự cố đường dây đồng bộ, thu được ánh sáng ngoại lai.
Chức năng ngăn ngừa giao thoa
Trong rường hợp sử dụng 2 cảm biến lắp song song để mở rộng bề rộng phát hiện, thì có thể xảy ra các sai số khi phát hiện như do việc giao thoa ánh sáng. Với chức năng này, sẽ cho phép một cảm biến hoạt động như MASTER và một cảm biến khác hoạt động như SLAVE để tránh các sai số khi phát hiện do giao thoa ánh sáng gây nên.
Cảm biến vùng Autonics BW20-48 được dùng khá thông dụng trong các hệ thống tự động. Sử dụng nhiều trong ngành công nghiệp, hay các công nghiệp sản xuất, đặc biệt sử dụng nhiều trong cửa ra vào.
