Máy bơm trục ngang đa tầng cánh Pentax Series MSHC
| 1 Cái | 133.426.000 ₫/ Cái | |
| 2+ Cái | -4% | 128.422.300 ₫/ Cái |
Thông tin vận chuyển
Thông tin sản phẩm
- Tạo ra một cột áp lớn và ổn định.
- Vận hành mạnh mẽ, hoạt động bền bỉ.
- Bơm được cả nước nóng với dải nhiệt độ làm việc từ -10-90°C .
1. Tính năng nổi bật của dòng máy bơm trục ngang đa tầng cánh Pentax MSHC
Dòng máy bơm MSHC được nhập khẩu nguyên chiếc từ Italy với đầy đủ chứng nhận xuất xứ và chất lượng sản phẩm (CO, CQ).
Máy bơm Pentax MSHC phù hợp sử dụng cho các yêu cầu cần áp lực nước lớn như bơm cấp nước nhà cao tầng, bơm phòng cháy chữa cháy, bơm cấp nước thi công,...
Máy bơm trục ngang đa tầng cánh Pentax MSHC nhều mức công suất 10HP, 20HP, 25HP, 30HP 3pha với thiết kế chuyên dụng, chắc chắn, gọn nhẹ. Máy sử dụng hệ thống cánh kép gồm nhiều cánh đơn bằng đồng kết hợp lại với nhau thông qua bộ ốp giúp máy tạo nên một cột áp rất lớn và ổn định khi vận hành.

Ứng dụng của dòng máy bơm MSHC:
- Hệ thống tưới tiêu.
- Bơm cấp nước cho nồi hơi, lò hơi.
- Bơm cấp nước cho các công trình.
- Hệ thống tăng áp, hệ thống làm mát.
- Bơm bù áp cho hệ thống cứu hỏa, phòng cháy chữa cháy….
- Bơm cung cấp nước trong ngành công nghiệp và nông nghiệp
- Bơm hệ thống xử lý nước sạch cho các khu công nghiệp và chung cư.

Đặc tính làm việc của máy bơm trục ngang đa tầng cánh Pentax Series MSHC
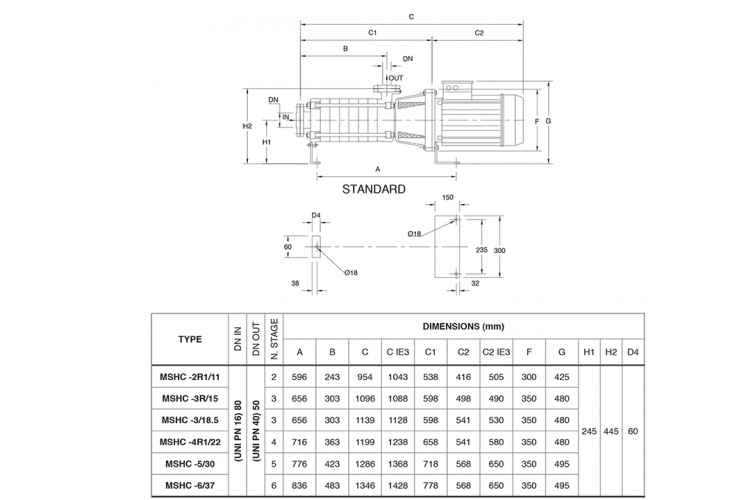
2. Thông số kỹ thuật
Máy bơm Pentax MSHC bao gồm các series như MSHC 2R1/11; MSHC 3R/15; MSHC 3/18.5; MSHC 4R1/22
| Mã sản phẩm | Công suất (KW/HP) | Họng hút xả (mm) |
Lưu lượng (m³/h) |
Cột áp (m) |
| MSHC 2R1/11 | 7.5KW/10HP | 65 - 40 | 0 - 27 | 120,3 - 49,7 |
| MSHC 3R/15 | 15KW/20HP | 65 - 40 | 0 - 27 | 120,3 - 49,7 |
| MSHC 3/18.5 | 18.5KW/25HP | 65 - 40 | 0 - 27 | 120,3 - 49,7 |
| MSHC 4R1/22 | 22KW/30HP | 65 - 40 | 0 - 27 | 120,3 - 49,7 |

Sơ đồ cấu tạo máy bơm trục ngang đa tầng cánh Pentax Series MSHC
